Published:2011/5/4 18:53:00 Author:Christina | Keyword: Automatic, water supply | From:SeekIC

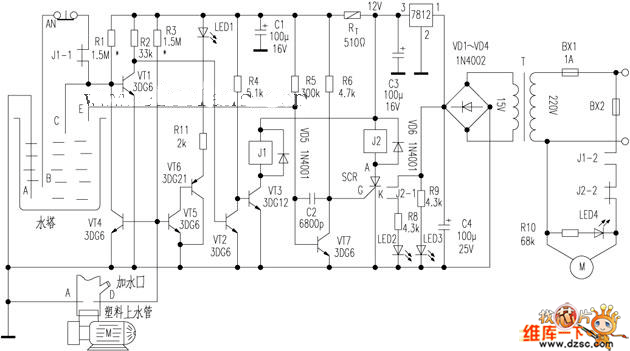
The water tower automatic protection circuit is as shown: household low-power water pumps has no protection measures, so it is easy to leak, and the electric motor is damaged because there is water, or the automatic control circuit is not work to cause the water overflow. The author adds the automatic protection circuit to this circuit, and realizes the water tower unmanned management, this circuit is simple and safe:
Figure Automatic water supply circuit
Reprinted Url Of This Article:
http://www.seekic.com/circuit_diagram/Remote_Control_Circuit/Automatic_water_supply_circuit.html
Print this Page | Comments | Reading(3)
Code: