Published:2011/4/21 1:20:00 Author:Tina | Keyword: Infrared Ray, Remote Anti-theft, Infrared Ray Remote Anti-theft Alarm | From:SeekIC

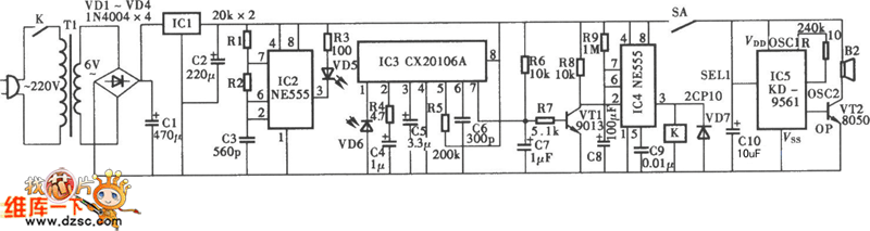
The Circuit Diagram of Infrared Ray Remote Anti-theft Alarm is as shown:
Welcome to reprint, the information is from the Weiku Electronic Market Network (www.dzsc.com).
Reprinted Url Of This Article:
http://www.seekic.com/circuit_diagram/Remote_Control_Circuit/Circuit_Diagram_of_Infrared_Ray_Remote_Anti_theft_Alarm.html
Print this Page | Comments | Reading(3)
Code: