Published:2011/4/21 1:23:00 Author:Tina | Keyword: Infrared Ray, Remote Control | From:SeekIC

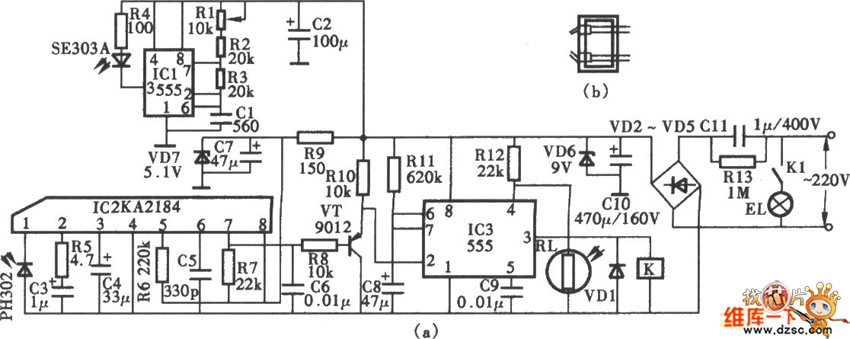
The Circuit Diagram of KA2184 Infrared Ray Remote Control Light. (a) Circuit Diagram; (b) installation diagram is as shown:
Reprinted Url Of This Article:
http://www.seekic.com/circuit_diagram/Remote_Control_Circuit/Circuit_Diagram_of_KA2184_Infrared_Ray_Remote_Control_Light.html
Print this Page | Comments | Reading(3)
Code: