Published:2011/4/21 1:21:00 Author:Tina | Keyword: Infrared, Remote Control | From:SeekIC

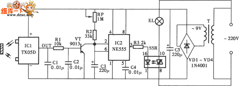
The Circuit Diagram of TX05D Infrared Remote Control Light is as shown.
Reprinted Url Of This Article:
http://www.seekic.com/circuit_diagram/Remote_Control_Circuit/Circuit_Diagram_of_TX05D_Infrared_Remote_Control_Light.html
Print this Page | Comments | Reading(3)
Code: