Published:2009/7/21 2:41:00 Author:Jessie | From:SeekIC

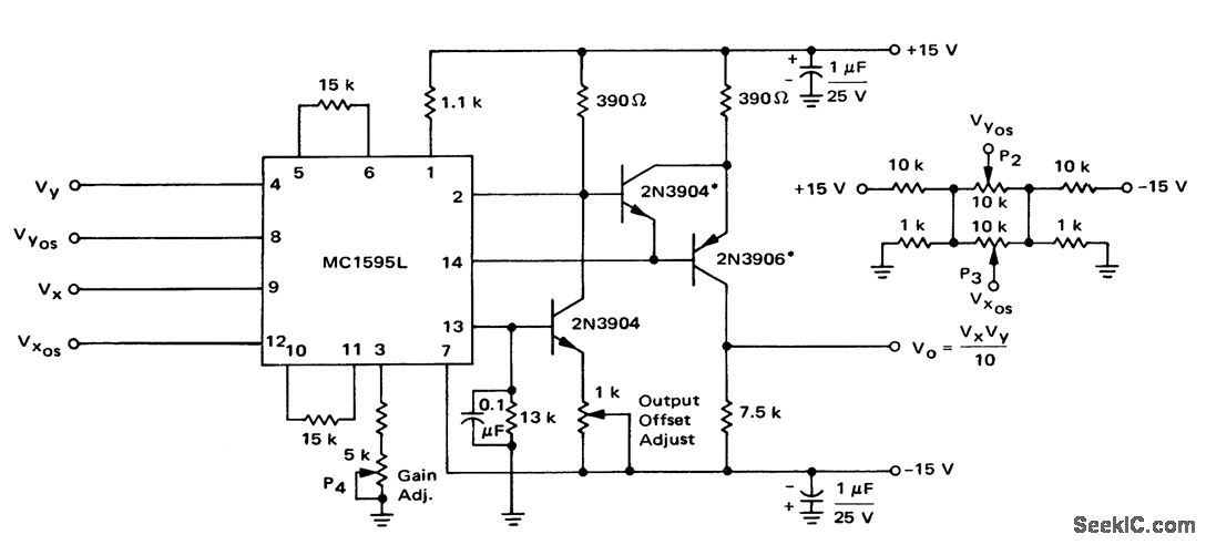
Discrete level-shifting circuit (courtesy Motorola Semiconductor Products Inc.).
Reprinted Url Of This Article:
http://www.seekic.com/circuit_diagram/Remote_Control_Circuit/Discrete_level_shifting_circuit.html
Print this Page | Comments | Reading(3)
Code: