Published:2011/8/24 21:15:00 Author:Christina | Keyword: Electric fan, infrared, remote control | From:SeekIC

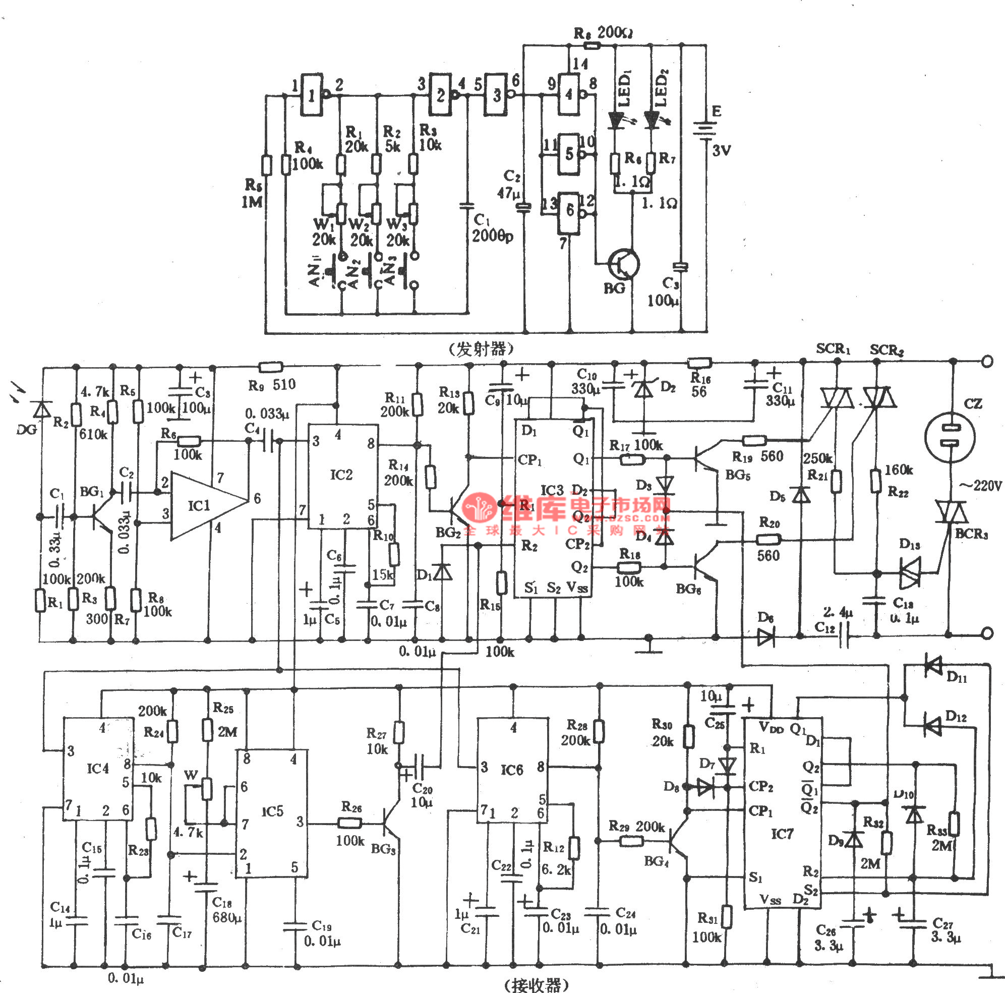
Electric fan infrared remote control circuit (4)
Reprinted Url Of This Article:
http://www.seekic.com/circuit_diagram/Remote_Control_Circuit/Electric_fan_infrared_remote_control_circuit_4.html
Print this Page | Comments | Reading(3)
Code: