Published:2011/8/25 22:07:00 Author:TaoXi | Keyword: Electric fan, infrared, remote control, Greatwall | From:SeekIC


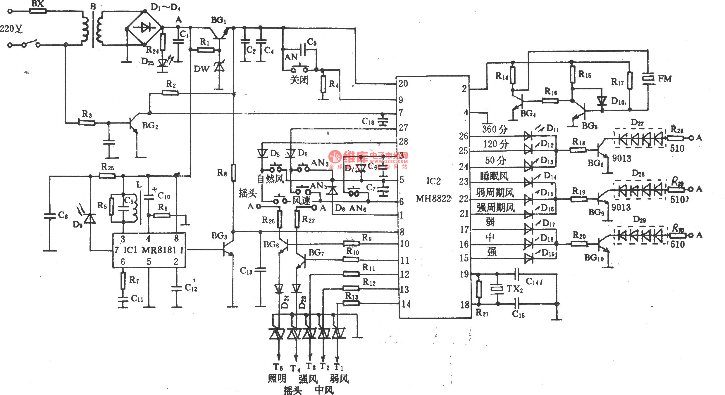
Electric fan infrared remote control circuit (Greatwall FS22-40)
The emitter:
The receiver:
Reprinted Url Of This Article:
http://www.seekic.com/circuit_diagram/Remote_Control_Circuit/Electric_fan_infrared_remote_control_circuit_Greatwall_FS22_40.html
Print this Page | Comments | Reading(3)
Code: