Published:2011/8/2 3:53:00 Author:TaoXi | Keyword: TV, infrared, remote control, launch circuit | From:SeekIC



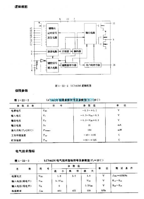
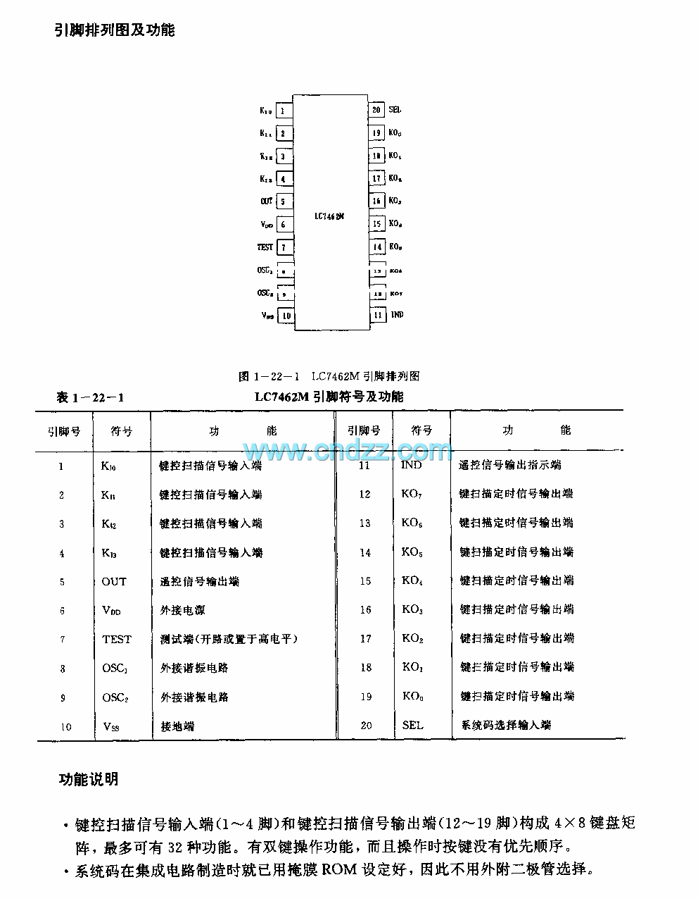
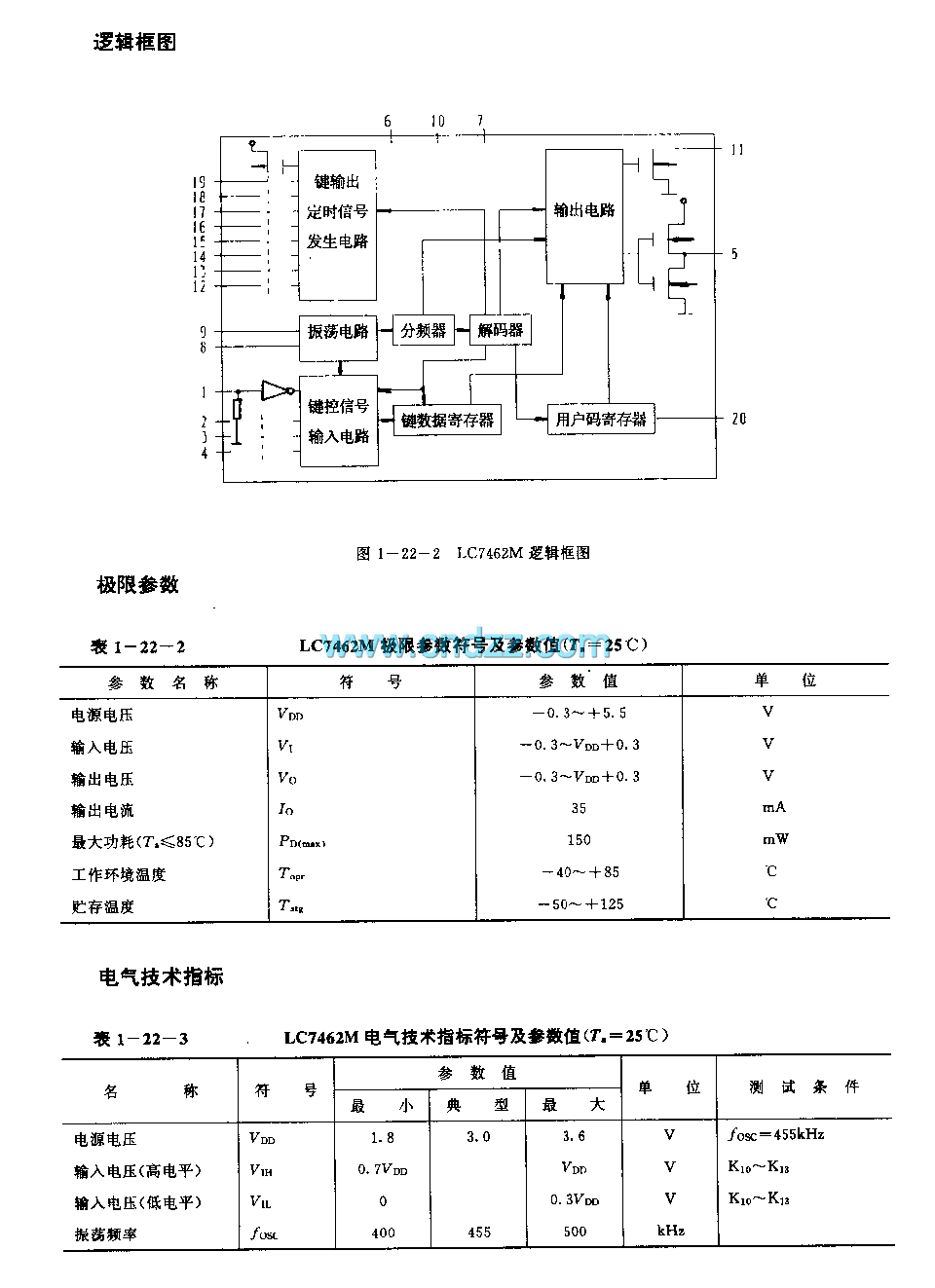
The IJC7462M is designed as the infrared remote control launch circuit that can be used in the TV application. The internal circuit is composed of the button output timing signal generator circuit, the button control signal input circuit, the button data register, the user code register, the oscillating circuit, the frequeny divider, the decoder.
Features
The CMOS large scale integrated circuit.In the standby state, the current consumption is lower than 10uA.It has the oscillating circuit, you can add the quartz resonator to form the clock oscillator.20-pin dual-row DIP plastic package.The matching model is CX20106A.
Reprinted Url Of This Article:
http://www.seekic.com/circuit_diagram/Remote_Control_Circuit/IJC7462M_TV_infrared_remote_control_launch_circuit.html
Print this Page | Comments | Reading(3)
Code: