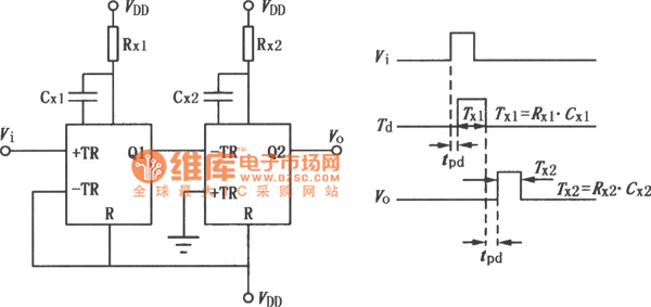
Published:2011/4/19 2:27:00 Author:Jessie | Keyword: Impulsive delay | From:SeekIC

Reprinted Url Of This Article:
http://www.seekic.com/circuit_diagram/Remote_Control_Circuit/Impulsive_delay_circuit_with_J210.html
Print this Page | Comments | Reading(3)
Code: