Published:2011/8/2 4:02:00 Author:TaoXi | Keyword: toy, wireless, remote control, launch, control, regulation circuit | From:SeekIC



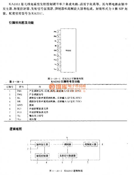
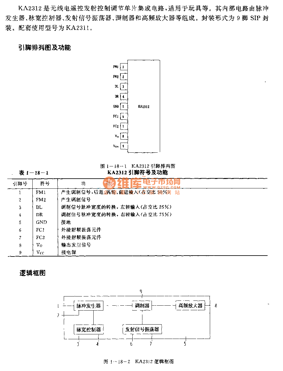
The KA2312 is designed as the wireless remote control launch control regulation circuit that can be used in the toy application. The internal circuit is composed of the pulse generator, the pulse width controller, the transmitting signal oscillator,the modulator, the high frequency amplifier and the automatic power switch. This device is in the 9-pin SIP package. The matching model is KA2311.
Reprinted Url Of This Article:
http://www.seekic.com/circuit_diagram/Remote_Control_Circuit/KA2312_toy_wireless_remote_control_launch_control_regulation_circuit.html
Print this Page | Comments | Reading(3)
Code: