Published:2011/7/20 6:41:00 Author:Christina | Keyword: infrared, remote control, launch, TV | From:SeekIC




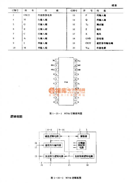
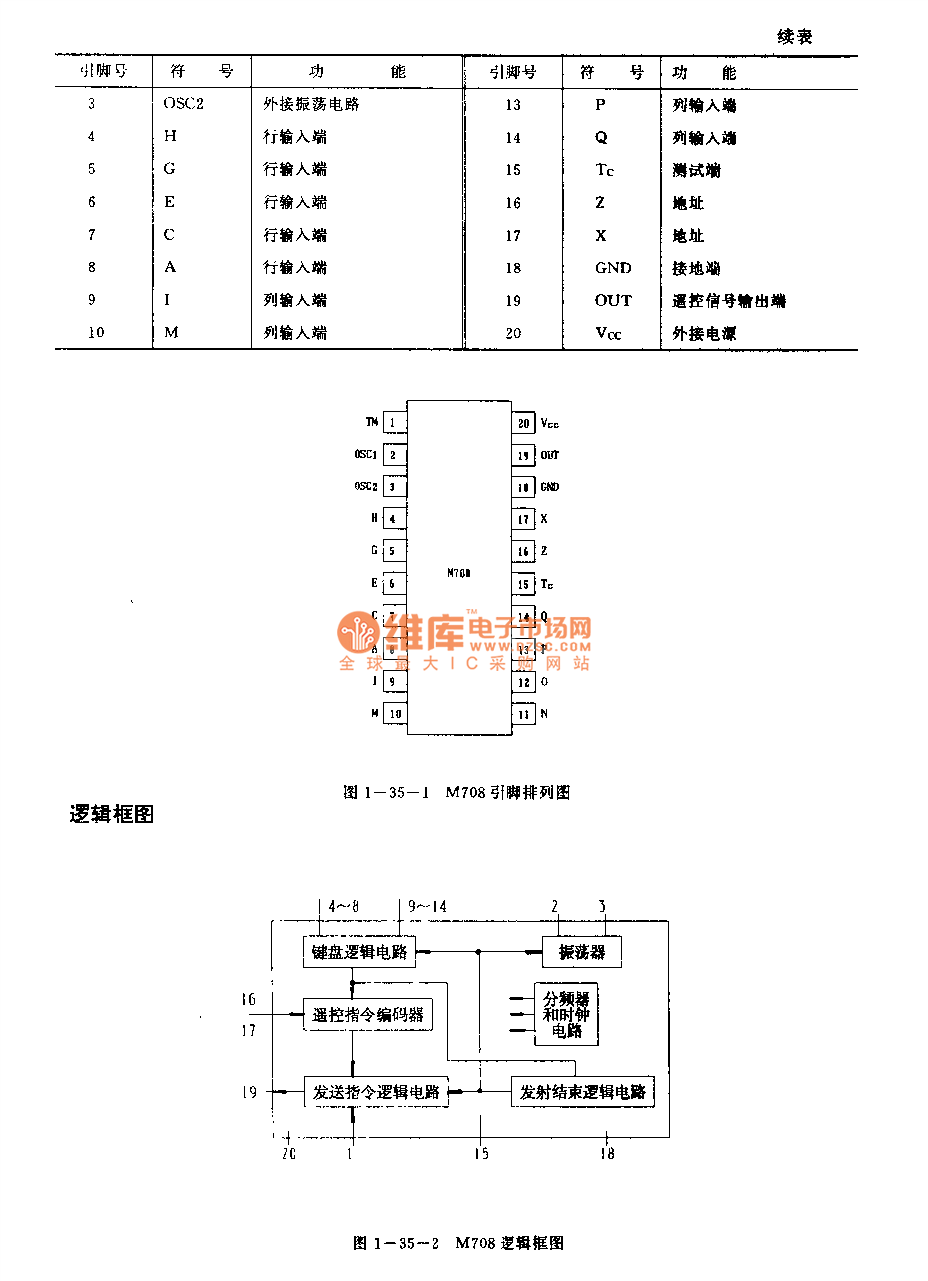
The M708 is designed as one kind of infrared remote control launch circuit that can be used in TV. The internal circuit is composed of the oscillator, the keyboard logic circuit, the sending command logic circuit, the transmitter ending logic circuit, the frequency divider and the clock cirucit.
Features
The CMOS silicon gate processThe external cheap ceramic resonator, the oscillation frequency is 455-510kHzThe wide oscillation frequency range, the value is 455-510kHzThe 20-pin dual-row DIP plastic packageThe matching model is TDA2320.
Reprinted Url Of This Article:
http://www.seekic.com/circuit_diagram/Remote_Control_Circuit/M708_TV_infrared_remote_control_launch_circuit.html
Print this Page | Comments | Reading(3)
Code: