Published:2011/7/18 7:17:00 Author:Christina | Keyword: electronic toys, remote control, transmitter, coding | From:SeekIC


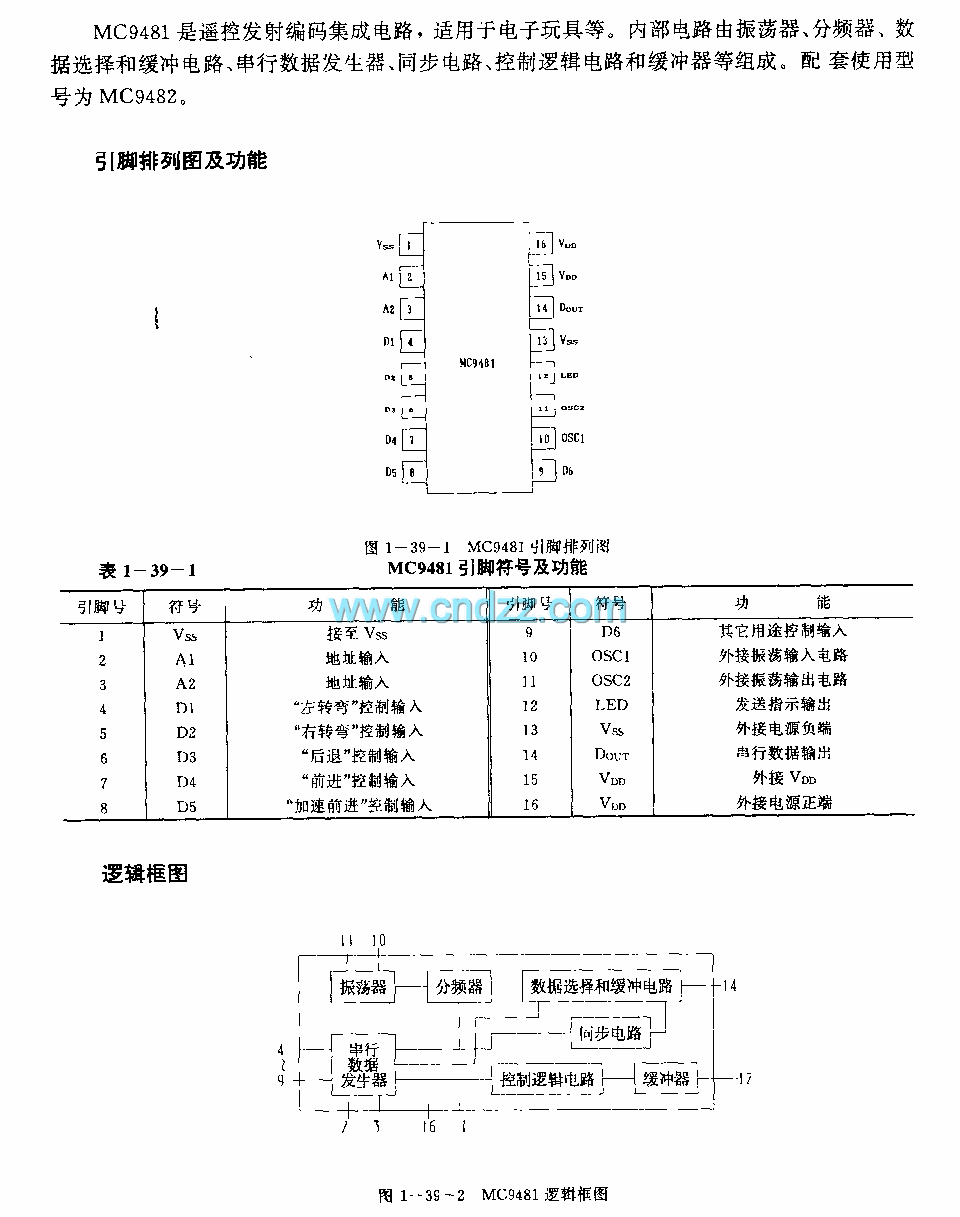
The MC9481 is designed as one kind of remote control transmitter coding circuit that can be used in the electronic toys. The internal circuit is composed of the oscillator, the frequency divider, the data selection and buffer circuit, the serial data generation circuit, the synchronous circuit, the logic control circuit and the buffer circuit. The matching model is MC9482.
Reprinted Url Of This Article:
http://www.seekic.com/circuit_diagram/Remote_Control_Circuit/MC9481_electronic_toys_remote_control_transmitter_coding_circuit.html
Print this Page | Comments | Reading(3)
Code: