Published:2011/7/17 8:23:00 Author:Christina | Keyword: infrared, remote control, transmitter circuit | From:SeekIC



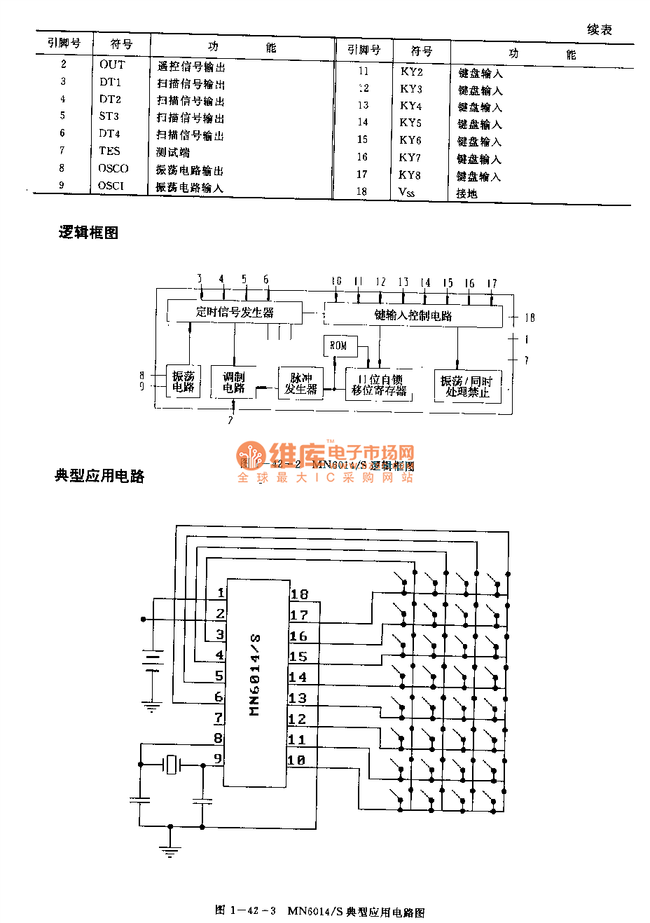
The MN6014/S is designed as one kind of infrared remote control transmitter circuit. The internal circuit is composed of the timing signal generator, the oscilation circuit, the key input control circuit, the tuning generator, the pulse generator, the modulation circuit, the 11-bit self-locking shift register.
Features
The CMOS technology very large scale integrated circuit (VLSI)
Function description
When there is no key operation, the oscillation circuit will stop working.
When you press the button several times, the output will be forbided.
It supplies 32 buttons.
Reprinted Url Of This Article:
http://www.seekic.com/circuit_diagram/Remote_Control_Circuit/MN6014_S_infrared_remote_control_transmitter_circuit.html
Print this Page | Comments | Reading(3)
Code: