Published:2011/10/18 3:29:00 Author:Rebekka | Keyword: PC , infrared remote, control receiver | From:SeekIC

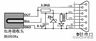
The circuit only has six components. It can remove the light-emitting diode (power indicator) and the 100Ω resistor in order to further simplify the circuit protection. Main components are HS0038A infrared remote control receiver, 5V regulator (1/4W), light emitting diodes, 9-pin serial connector, resistors (3.3KΩ and 100Ω each), electrolytic capacitors (0.1μF, 10V), universal printed circuit plate, wires (at least 3 core) and the battery box (as housing). The total costs no more than 10 yuan.
Reprinted Url Of This Article:
http://www.seekic.com/circuit_diagram/Remote_Control_Circuit/PC_infrared_remote_control_receiver_circuit_diagram.html
Print this Page | Comments | Reading(3)
Code: