Published:2009/7/22 21:17:00 Author:Jessie | From:SeekIC

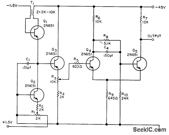
Povides variable frequency and symmetry without interaction of functions. Supply voltage can be -15 to -45 V. Frequency range is variable from 60 cps to 7 kc. Con be used to modulate small transmitter for remote control purposes.-L. E. Spadt, Rectangular Wove. form Generator, EEE, 10:6, p 33-34.
Reprinted Url Of This Article:
http://www.seekic.com/circuit_diagram/Remote_Control_Circuit/RECTANGULAR_WAVEFORM_GENERATOR.html
Print this Page | Comments | Reading(3)
Code: