Published:2011/4/21 7:00:00 Author:Christina | Keyword: Remote Control, Switch Circuit | From:SeekIC

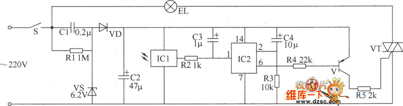
The Remote Control Switch Circuit is as shown:
Reprinted Url Of This Article:
http://www.seekic.com/circuit_diagram/Remote_Control_Circuit/Remote_Control_Switch_Circuit.html
Print this Page | Comments | Reading(3)
Code: