Published:2011/10/19 21:21:00 Author:Rebekka | Keyword: Remote control automatic door | From:SeekIC



Transmitter circuit:
Receiving circuit:
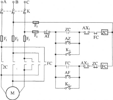
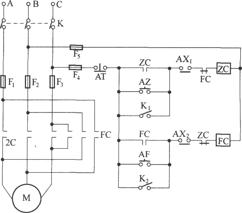
The circuit controlling three-phase motor forward and reversing rotation is shown as below.
Reprinted Url Of This Article:
http://www.seekic.com/circuit_diagram/Remote_Control_Circuit/Remote_control_automatic_door_circuit_diagram.html
Print this Page | Comments | Reading(3)
Code: