Published:2011/10/19 22:21:00 Author:Rebekka | Keyword: Simple and practical mouse remote | From:SeekIC

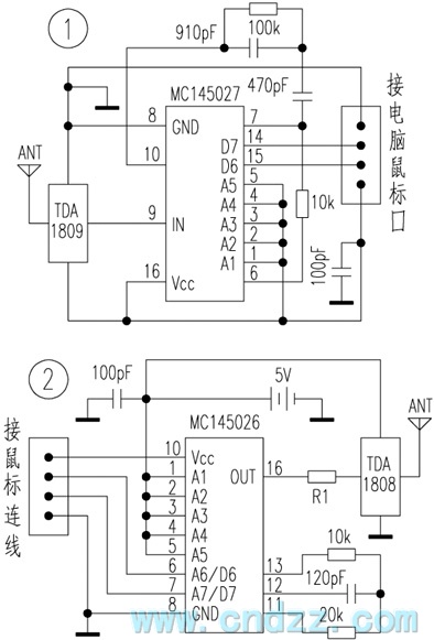
Generally, there are 4 circuit connection lines in the mouse and computer(the circuit device can accept up to four input data lines, and readers can select their own actual situation). They are the positive power supply, the data line 1, the data line 2. We will cut off the mouse connection to find out the four lines respectively. And we use the receiving end D6 and D7 of MC145026 encoded data transmission circuit data lines to receive the data sent by mouse lines 1 and 2. It will send the conversion data in the output of the chips D6 and D7, andyou do not need to change the mouse and computer of the circuit. And you don't need to install additional mouse drive software. All the features of the original mouse can also be used normally.
Reprinted Url Of This Article:
http://www.seekic.com/circuit_diagram/Remote_Control_Circuit/Simple_and_practical_mouse_remote_control_circuit_diagram.html
Print this Page | Comments | Reading(3)
Code: