© 2008-2012 SeekIC.com Corp.All Rights Reserved.
Published:2011/7/28 21:25:00 Author:John | Keyword: temperature measurement | From:SeekIC

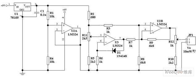
Any ordinary diode (eg IN4148), in principle, can be used as a fine electronic thermometer’s sensing element with certain precision. When the diode temperature is increased by 1 degree, its forward voltage drop will reduce 2mV.
As shown in the figure, a constant reference voltage is applied to the input end of op-amp A2. A diode and a resistor are applied to the inverting input of op-amp. Therefore, the current flows through the diode and also flows through the resistor. A constant pressure drop should be maintained on the resistor.
Reprinted Url Of This Article:
http://www.seekic.com/circuit_diagram/Remote_Control_Circuit/Simple_and_reliable_temperature_measurement_circuit.html
Print this Page | Comments | Reading(3)
Response in 12 hours
© 2008-2012 SeekIC.com Corp.All Rights Reserved.
Code: