Published:2011/7/27 4:15:00 Author:TaoXi | Keyword: TV, infrared, remote control, receiving circuit | From:SeekIC


The T6A2800 is designed as the infrared remote control receiving bipolar type circuit that can be used in TV application. The internal circuit is composed of the gain control amplifier I, amplifier II, the pulse separation amplifier III and the inverter. The matching models are SAA1250 or IRT1250. It is in the 14-pin dual-row DIP plastic package.
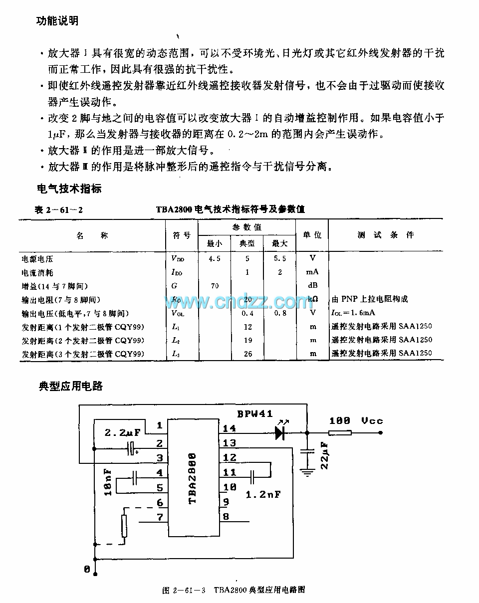
Function declaration
The amplifier I has the wide dynamic range, it will not interfere by the environment light, the fluorescent lamp or other infrared transmitters.
Even if the infrared remote control transmitter closes to the infrared remote control receiver transmitter signal, the receiver will not produce the false action because of the overdrive.
Reprinted Url Of This Article:
http://www.seekic.com/circuit_diagram/Remote_Control_Circuit/T6A2800_TV_infrared_remote_control_receiving_circuit.html
Print this Page | Comments | Reading(3)
Code: