Published:2011/7/27 4:29:00 Author:TaoXi | Keyword: TV, infrared, remote control, receiving circuit | From:SeekIC


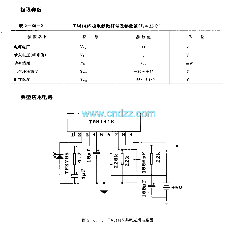
The TA8141S is designed as one kind of infrared remote control receiving bipolar type circuit that can be used in the TV application. The internal circuit is composed of the preamplifier single circuit, the ABLC circuit, the amplitude limiting amplifier circuit, the bandpass filter, the wave detector and the shaping circuit.
Features
Low current consumption. When the power supply voltage is 5V, the operating current is 2mA.This circuit has the band-pass filter, and you do not need to adjust the band-pass filter (BPF).The collector electrode is in the open-circuit output state.It can be connected with the photodiode directly.The frequency-selective network of the band-pass filter uses the resistance.9-pin single row DIP plastic package.The matching model is TC9012F.
Reprinted Url Of This Article:
http://www.seekic.com/circuit_diagram/Remote_Control_Circuit/TA8141S_TV_infrared_remote_control_receiving_circuit.html
Print this Page | Comments | Reading(3)
Code: