Published:2011/4/21 1:36:00 Author:Tina | Keyword: TV Audio, Remote Control Switch | From:SeekIC

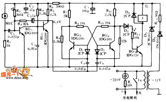
The TV Audio Remote Control Switch Circuit is as shown:
Reprinted Url Of This Article:
http://www.seekic.com/circuit_diagram/Remote_Control_Circuit/TV_Audio_Remote_Control_Switch_Circuit.html
Print this Page | Comments | Reading(3)
Code: