Published:2011/6/30 3:54:00 Author:Seven | Keyword: RC trigger, single-way thyristor, dimmer | From:SeekIC

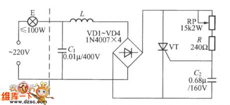
In the figure is the single-way thyristor dimmer circuit whose trigger circuit is composed of RC elements, the 220v AC is rectified by VD1~VD4 and becomes a DC impulse voltage, and then it is added between the positive pole and passive pole of the thyristor VT. RP, R and C2 compose the trigger circuit, the DC pulse voltage is charging C2 through RP and R, when it reaches a certain value, the thyristor VT is open and the bulb E is glowing because of getting power. When the impulse voltage between the two poles of of VT is over zero, VT is broken down automatically, and the power supply charges C2 through RP and R again.
Reprinted Url Of This Article:
http://www.seekic.com/circuit_diagram/Remote_Control_Circuit/The_RC_trigger_single_way_thyristor_dimmer_circuit.html
Print this Page | Comments | Reading(3)
Code: