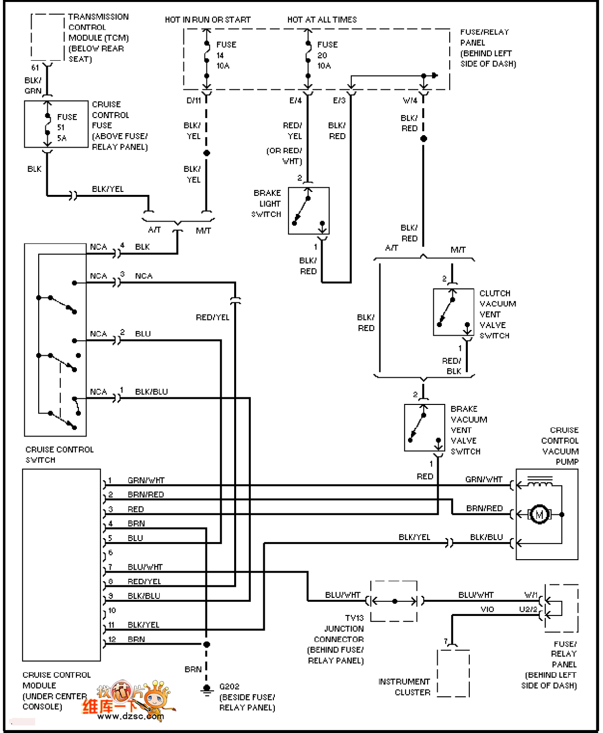
Published:2011/6/30 21:17:00 Author:qqtang | Keyword: Volkswagon, cruize control | From:SeekIC

Reprinted Url Of This Article:
http://www.seekic.com/circuit_diagram/Remote_Control_Circuit/The_Volkswagon_cruize_control_circuit.html
Print this Page | Comments | Reading(3)
Code: