About SeekIC | Services | Payment | Advertisements service | Contact Us | Links
© 2008-2012 SeekIC.com Corp.All Rights Reserved.
Published:2011/6/30 21:00:00 Author:qqtang | Keyword: control circuit, over-temperature detection | From:SeekIC

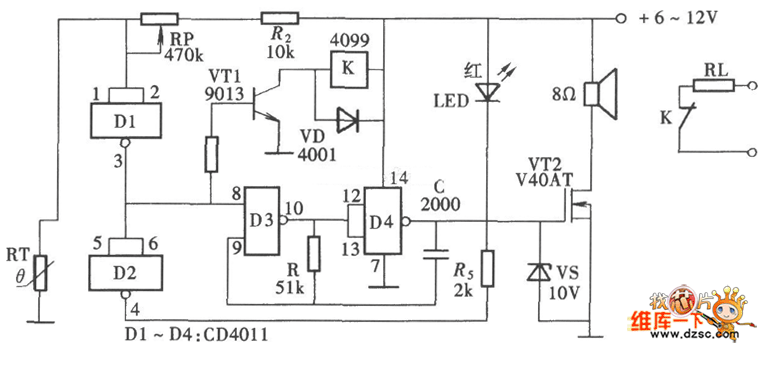
The circuit consists of a NAND circuit, a detection circuit composed of thermistor and a alarm sound generating circuit, and the relay is the executing circuit. Its structure is simple and it's low-cost. The circuit is shown in the figure.
Reprinted Url Of This Article:
http://www.seekic.com/circuit_diagram/Remote_Control_Circuit/The_auto_control_circuit_of_over_temperature_detection.html
Print this Page | Comments | Reading(3)
Response in 12 hours
© 2008-2012 SeekIC.com Corp.All Rights Reserved.
Code: