Published:2011/6/30 20:43:00 Author:qqtang | Keyword: auto power regulation, temperature controller | From:SeekIC

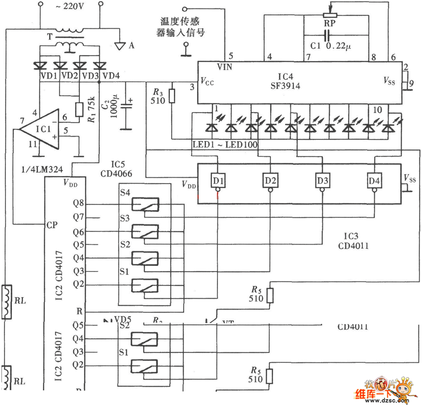
The temperature controller can adjust the input power of the heater while the LED is indicating the temperature range, which makes the controlled heater in constant working temperature state. The circuit is shown in the figure.
Reprinted Url Of This Article:
http://www.seekic.com/circuit_diagram/Remote_Control_Circuit/The_auto_power_regulation_temperature_controller_circuit.html
Print this Page | Comments | Reading(3)
Code: