© 2008-2012 SeekIC.com Corp.All Rights Reserved.
Published:2011/6/30 20:19:00 Author:qqtang | Keyword: temperature control circuit, developing solution | From:SeekIC

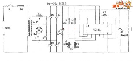
In the figure is the constant temperature control circuit of the developing solution. This circuit consists of the step-down rectifier power supply circuit(B, D1~D4, C1 and so on), temperature detecting bridge R3~R4, voltage comparing amplifier and power output circuit 5G31, relay J, load RL and so on, of which R3 has the same resistance with R4, and they are linked to the passive input terminal as the Vref. R2 is a thermistor, R1 is the temperature adjusting resistor, RL is the loading resistor(heater) and 5G31 is the audio power amplifier.When the power is on, the temperature is low and the resistance of R1 is high.
Reprinted Url Of This Article:
http://www.seekic.com/circuit_diagram/Remote_Control_Circuit/The_constant_temperature_control_circuit_of_the_developing_solution.html
Print this Page | Comments | Reading(3)
Response in 12 hours
© 2008-2012 SeekIC.com Corp.All Rights Reserved.
Code: