Published:2011/6/30 21:16:00 Author:qqtang | Keyword: over-temperature, monitor and alarm circuit | From:SeekIC

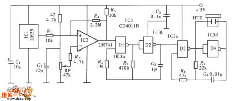
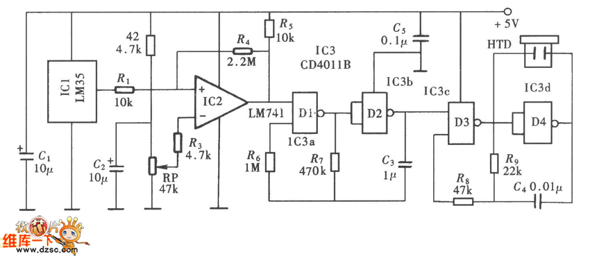
The over-temperature monitor and alarm circuit is adopted with the integrated circuit temperature sensor as the test element, it only sets a upper temperature limit control point. When it is over the limit, the circuit will emitting the alarm sound to attract the user's attention. The circuit is shown in the figure, which consists of the temperature detector and over temperature monitoring circuit, alarm sound generating and output circuit.
Reprinted Url Of This Article:
http://www.seekic.com/circuit_diagram/Remote_Control_Circuit/The_over_temperature_monitor_and_alarm_circuit.html
Print this Page | Comments | Reading(3)
Code: