Published:2011/7/14 6:19:00 Author:Borg | Keyword: temperature connector | From:SeekIC

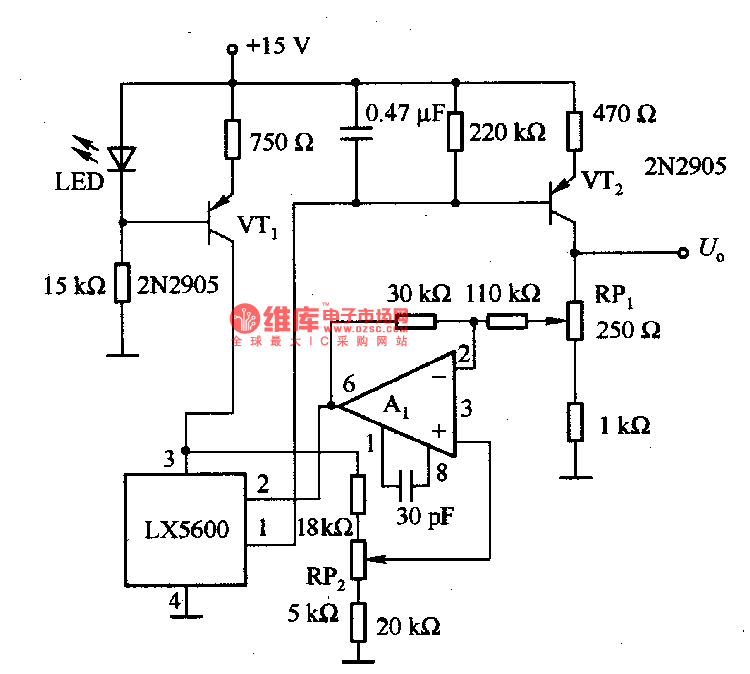
This is the temperature connector circuit of LX5600. In the circuit, LED and VT1 compose the constant current circuit, which provides with working current of LX5600. VT2 is the low output impedance amplifier, which magnifies the output signal of LX5600; A1 is the phase reverser, which completes the backward feedback; RP1 is used to regulate the converting sensibility; RP2 is used to zero set. The output voltage is 0-5v, the temperature of 100℃ is corresponding to the voltage of 4V.
Reprinted Url Of This Article:
http://www.seekic.com/circuit_diagram/Remote_Control_Circuit/The_temperature_connector_circuit_of_LX5600.html
Print this Page | Comments | Reading(3)
Code: