Published:2011/6/30 22:34:00 Author:qqtang | Keyword: temperature over-limit, auto regulating outlet | From:SeekIC

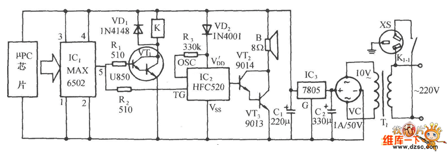
The figured circuit consists of the temperature detection switch, relay control circuit, language circuit, audio power amplifier circuit and AC step-down rectifier circuit, etc. When the temperature of the object or machine is over the set value, the outlet XS gets power and the ventilating or cooling device connected with the outlet is running. At the same time, the sound circuit is triggered and making sound, reminding people of the temperature change.
Reprinted Url Of This Article:
http://www.seekic.com/circuit_diagram/Remote_Control_Circuit/The_temperature_over_limit_auto_regulating_outlet_circuit.html
Print this Page | Comments | Reading(3)
Code: