Published:2011/7/14 6:09:00 Author:Borg | Keyword: thermometer circuit | From:SeekIC

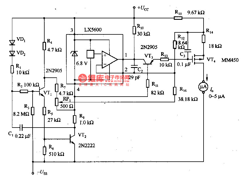
When this thermometer is used in the room, it can work in the intermittent way, and this working state can be kept in the temperature test circuit, because internal temperature doesn't change sharply. The astable multi-resonance oscillator consists of VT1 and VT2, i.e the interval oscillator circuit, which samples per 1s, and the interval time ratio is 0.2%, the power supply is 8-12V. C1 and R3 decide the block time of the oscillating circuit, C1, R1, R4 and R7 decide the conducting time of the interval oscillating time.
Reprinted Url Of This Article:
http://www.seekic.com/circuit_diagram/Remote_Control_Circuit/The_thermometer_circuit_composed_of_LX5600.html
Print this Page | Comments | Reading(3)
Code: