Published:2009/7/23 21:39:00 Author:Jessie | From:SeekIC

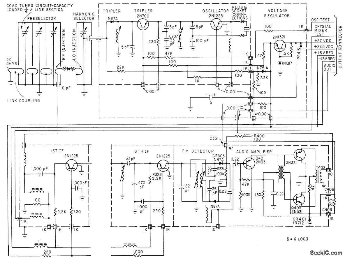
Covers 406 to 549 Mc. Used in missiles and missile-target aircraft to receive up to 20 tone channels and provide demodulated audio output to decoding equipment. Second through seventh i-f channels are essentially same as eighth.-T. L. Fischer, Wideband F.M Receiver for Remote Aircraft Control, Electronics, 33:40, p 85-87.
Reprinted Url Of This Article:
http://www.seekic.com/circuit_diagram/Remote_Control_Circuit/WIDEBAND_F_M_RADIO_CONTROL_LINK.html
Print this Page | Comments | Reading(3)
Code: