Published:2011/6/9 6:17:00 Author:Lucas | Keyword: Wireless remote , electronic , detonating device | From:SeekIC


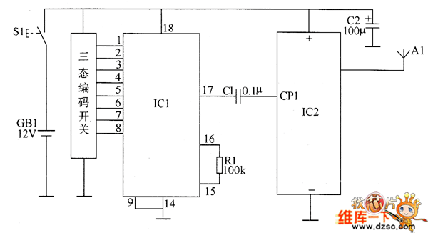
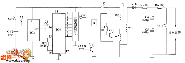
The wireless remote electronic detonating device is composed of the wireless remote transmitter circuit and wireless receiver initiator circuit. The wireless remote transmitter circuit is composed of control button S1, battery OBI, wireless encoding integrated circuit IC1, wireless transmitter integrated circuit IC2, resistor R1, capacitors U1, C2, transmitter antenna A1, and the circuit is shown as the chart. R1 ~ R4 select 1/4W metal film resistors; R5 and R6 select 1W metal film resistors. C1 and C3 select monolithic capacitors; C2 uses aluminium electrolytic capacitor with the voltage in 16V; C4 and C5 select electrolytic capacitor with the voltage in 630V. V1 chooses 58050 silicon NPN transistor; V2 uses BU406 high back pressure NPN silicon transistor.
Reprinted Url Of This Article:
http://www.seekic.com/circuit_diagram/Remote_Control_Circuit/Wireless_remote_electronic_detonating_device_circuit_diagram_2.html
Print this Page | Comments | Reading(3)
Code: