About SeekIC | Services | Payment | Advertisements service | Contact Us | Links
© 2008-2012 SeekIC.com Corp.All Rights Reserved.
Published:2011/8/1 9:06:00 Author:TaoXi | Keyword: electric fan, infrared, remote control, coding circuit | From:SeekIC



Features
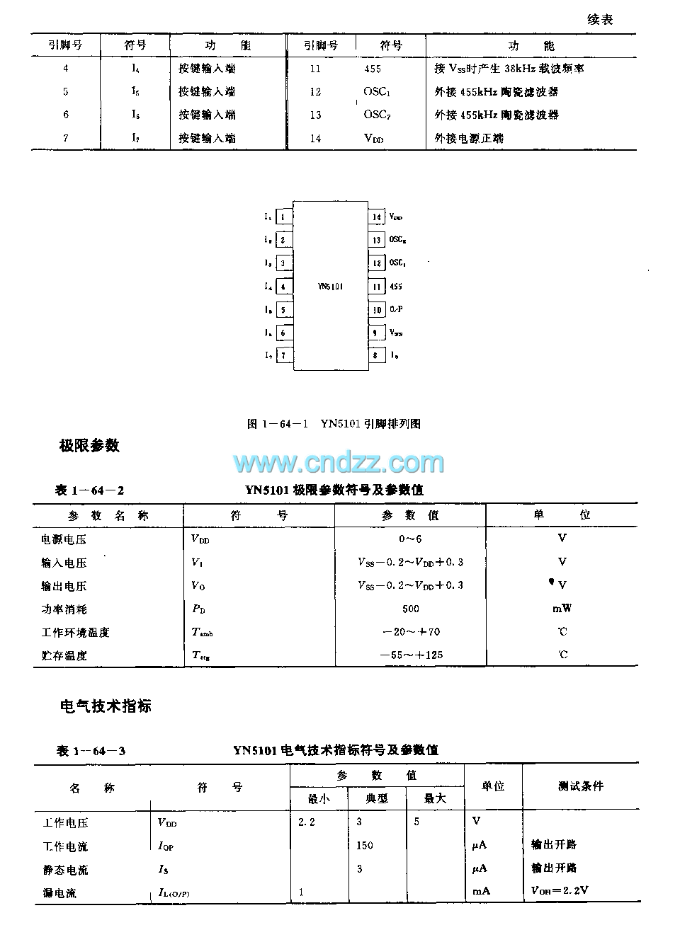
It uses the CMOS technology.The 8-channel remote control output/input interface.The drive capability is strong, it can drive the transistor directly.The transmitter port produces the 38kHz carrier wave directly.The matching model is YN5201.
Reprinted Url Of This Article:
http://www.seekic.com/circuit_diagram/Remote_Control_Circuit/YN5101_electric_fan_infrared_remote_control_coding_circuit.html
Print this Page | Comments | Reading(3)
Response in 12 hours
© 2008-2012 SeekIC.com Corp.All Rights Reserved.
Code: