Published:2011/8/3 9:11:00 Author:Robert | Keyword: Keling, Dual, Function, Disinfector Cabinet, Principle, Repairing | From:SeekIC

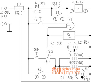
The Keling ZTP-63A type dual function tableware disinfector cabinet is dual door and dual room structure. It has many advantages such as thorough disinfection, no pollution, sage and stable, easy to use, and so on. This artical intruduces this disinfector cabinet's working principle and common faults' repairing methods for repairing reference.The working principle is intruduced below.This disinfector cabinet's circuit is drawn and shown in the picture. The full circuit is made up of three parts which are high-temperature disinfector circuit, temperature-keeping circuit and ozone disinfector circuit. In the high-temperature disinfector circuit, when it is connected to the power and the user presses the disinfector switch SB1, the relay K would get electricity and become closed. And the normally open contactor K1, K2 are closed to be connected. Then the working indication lamp (red) HL1 would light.
Reprinted Url Of This Article:
http://www.seekic.com/circuit_diagram/Repairing_Circuit/Keling_ZTP_63A_Type_Dual_Function_Disinfector_Cabinet_Principle_And_Repairing_Circuit.html
Print this Page | Comments | Reading(3)
Code: