Published:2009/6/23 22:30:00 Author:Jessie | From:SeekIC

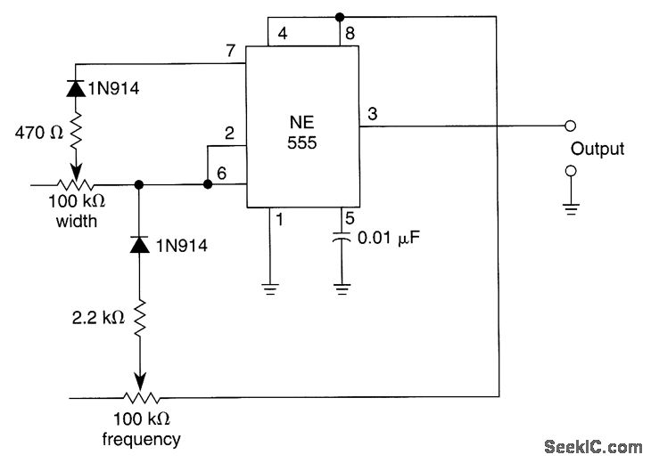
In this multivibrator circuit frequency and pulse width can be separately controlled by using steering diodes (1N914) and two potentiometers.
Reprinted Url Of This Article:
http://www.seekic.com/circuit_diagram/Sensor_Circuit/ASTABLE_MULTIVIBRATOR_I.html
Print this Page | Comments | Reading(3)
Code: