Published:2011/5/9 3:07:00 Author:Sharon | Keyword: Precision, bright, light control | From:SeekIC

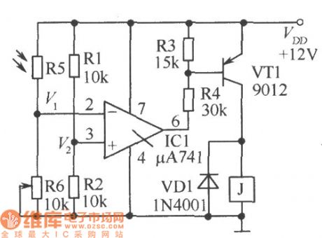
The circuit shown is a precision bright light control circuit. Its work will not be affected by power supply voltage and ambient temperature. Resistors R1, R2, R6 and the photosensitive resistor R5 constitute the two bridge arms of Wheatstone bridge.
Reprinted Url Of This Article:
http://www.seekic.com/circuit_diagram/Sensor_Circuit/A_Precision_bright_light_control_circuit.html
Print this Page | Comments | Reading(3)
Code: