Published:2011/3/21 4:26:00 Author:Nicole | Keyword: Buzzer | From:SeekIC

Reprinted Url Of This Article:
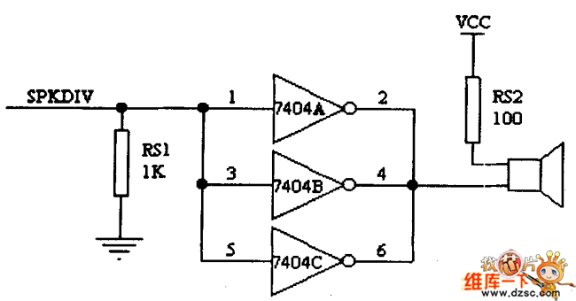
http://www.seekic.com/circuit_diagram/Sensor_Circuit/Buzzer_and_its_Drive_Circuit_Diagram.html
Print this Page | Comments | Reading(3)
Code: