Published:2009/7/21 21:25:00 Author:Jessie | From:SeekIC

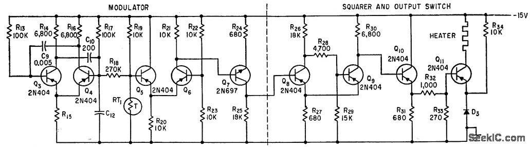
Thermistor RT1 senses temperature of crystal oscillator cavity and modifies output of asymmetric free running mvbr Q3-Q4 whose output is integrated by C12. Thermistor is followed by modulator, amplifier Q7, and four-transistor switch that applies power at fxed repetition frequency but with on time per cycle controlled by thermistor.-M. Lysobey, Microminiature Crystal Oscillator Using Wafer Modules, Electronics, 35:15, p 60-61.
Reprinted Url Of This Article:
http://www.seekic.com/circuit_diagram/Sensor_Circuit/CRYSTAL_OVEN_1.html
Print this Page | Comments | Reading(3)
Code: