Published:2009/7/14 23:45:00 Author:Jessie | From:SeekIC

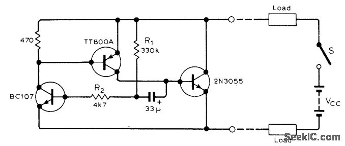
Load current is sensed across base-emitter junction of output transistor. R1 controls OFF time and R2 controls ON time. Capacitor should be electrolytic rated above 16V.-M, Faulkner, Two Terminal Circuit Breaker, Wireless World, March 1977, p 41.
Reprinted Url Of This Article:
http://www.seekic.com/circuit_diagram/Sensor_Circuit/CURRENT_SENSOR.html
Print this Page | Comments | Reading(3)
Code: