Published:2013/7/29 20:24:00 Author:muriel | Keyword: Capacitive Sensors | From:SeekIC

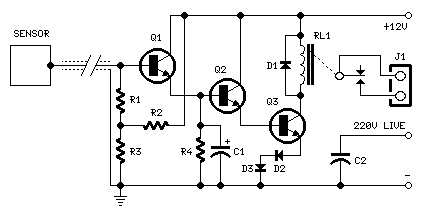
Parts:R1,R2 1M 1/4W ResistorsR3,R4 47K 1/4W ResistorsC1 10µF 25V Electrolytic CapacitorC2 470pF 630V Ceramic or Polyester CapacitorD1-D3 1N4002 100V 1A DiodesQ1-Q3 BC337 45V 800mA NPN TransistorsRL1 Relay with SPDT 2A @ 220V switchCoil Voltage 12V. Coil resistance 200-300 OhmJ1 Two ways output socketSensor Aluminium or copper thin sheet with the dimensions of a post-card,glued at the rear of the same (approx. 15x10.5 cm.)Thin screened cable
Circuit description:The purpose of this circuit is to animate shop-windows by means of a capacitive sensor placed behind a post-card-like banner. The card is placed against the glass inside the shop-window, and the visitor can activate the relay placing his hand on the card, from the outside. Especially suited for toy-shops, the circuit can activate model trains, small electric racing cars, lights etc. Further applications are left at user's imagination. Adopt it to increase the impact of your shop-window on next Christmas season!Q1, Q2 & Q3 form a high impedance super-Darlington that drives the relay, amplifying the 50Hz alternate mains-supply frequency induced in the sensor by the human body. C1 & D2, D3 ensure a clean relay's switching. Power supply can be any commercial wall plug-in transformer with rectifier and smoothing capacitor, capable of supplying the voltage and current necessary to power the relay you intend to use.
Reprinted Url Of This Article:
http://www.seekic.com/circuit_diagram/Sensor_Circuit/Capacitive_Sensors.html
Print this Page | Comments | Reading(3)
Code: