Published:2011/6/22 21:30:00 Author:TaoXi | Keyword: Digital tachometer, magnetic sensor | From:SeekIC

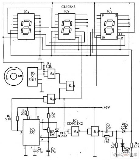
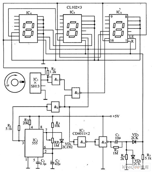
The digital tachometer circuit is as shown in the figure. It is composed of the disk with the permanent magnet, the Hall integrated sensor, the selective passing gate circuit, the time base signal circuit, the power count circuit and the digital display circuit. The count circuit and the digital display circuits use the CMOS-LED digital display component CLlO2, it can count and display the numerical code.
The input shaft of the turntable is connected with the measured rotating shaft, when the measured rotating shaft is rotating, it will drive the turntable to turn with it. When the small permanent magnet of the turntable is getting through the Hall integrated sensor IC1, IC1 will change the magnetic signal into the speed electric signal. This signal reverse-phase inputs to the input port of the NAND gate 3 through the NOT gate l.
Reprinted Url Of This Article:
http://www.seekic.com/circuit_diagram/Sensor_Circuit/Digital_tachometer_circuit_based_on_the_magnetic_sensor.html
Print this Page | Comments | Reading(3)
Code: