Published:2009/6/17 22:05:00 Author:May | From:SeekIC


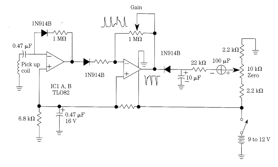
A telephone pick-up coil is used as a sensing coil. Any 60-Hz hum picked up by the sensing coil is rectified, amplified, and detected, and then drives a meter.
Reprinted Url Of This Article:
http://www.seekic.com/circuit_diagram/Sensor_Circuit/ELECTROMAGNETIC_FIELD_SENSOR.html
Print this Page | Comments | Reading(3)
Code: