Published:2009/7/3 5:19:00 Author:May | From:SeekIC

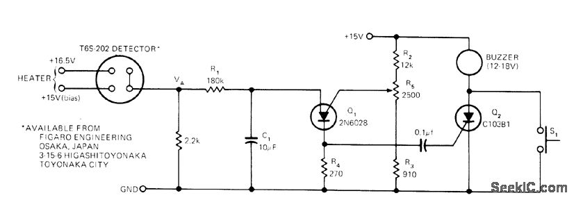
Sensor is based on selective absorption of hydrocarbons by N-type metaloxide surface. Heater in sensor burns off hydrocarbons when gas or smoke disappears, to make sensor reusable. Requires initial warmup time of about 15 min in hydrocarbon-free environment. When gas or smoke is present, VA quickly rises and triggers programmable UJT Q1. Resulting voltage pulse across R4 triggers Q2 and there by energizes buzzer. S1 is reset switch.R1 and C1 give time delay that prevents triggering by small transients such as smoke from cigarette. R5 adjusts alarm threshold. Use regulated supply.-S. J. Bepko, Gas/Smoke Detector Is Sensitive and Inexpensive, EDN Magazine, Sept. 20, 1973, p 83 and 85.
Reprinted Url Of This Article:
http://www.seekic.com/circuit_diagram/Sensor_Circuit/GAS_SMOKE_SENSOR.html
Print this Page | Comments | Reading(3)
Code: