Published:2009/6/22 23:05:00 Author:May | From:SeekIC

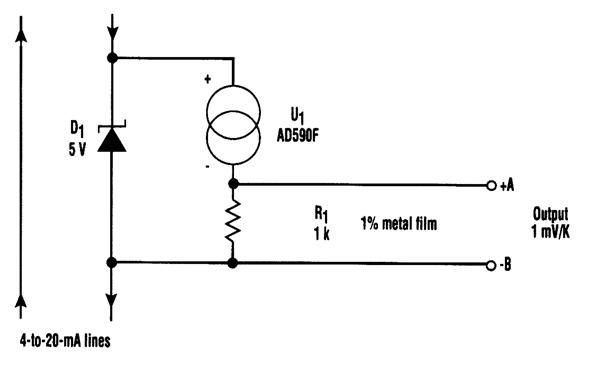
Here's an effective for a temperature sensor to receive power from a 4-to-20 mA loop without actually affecting the loop current (see the figure). This particular temperature sensor IC (AD590F) conducts 1 μA/K when powered by a supply in the range of 4 V to 40 Vdc.The scheme uses a 5-V Zener diode (D1) to regulate the power source for AD590F. Most of the current flows through the Zener diode and a small current flows through AD590F. A high-impedance device can read the temperature information across R1, which is a 1 mV/K in the range of -55℃ to 150℃. The waste of power is negligible in this arrangement.
Reprinted Url Of This Article:
http://www.seekic.com/circuit_diagram/Sensor_Circuit/HOOK_SENSOR_ON_4__TO_20_mA_LOOP.html
Print this Page | Comments | Reading(3)
Code: