Published:2011/6/30 3:21:00 Author:Joyce | Keyword: High-Frequency-Generating , Lamplighter | From:SeekIC

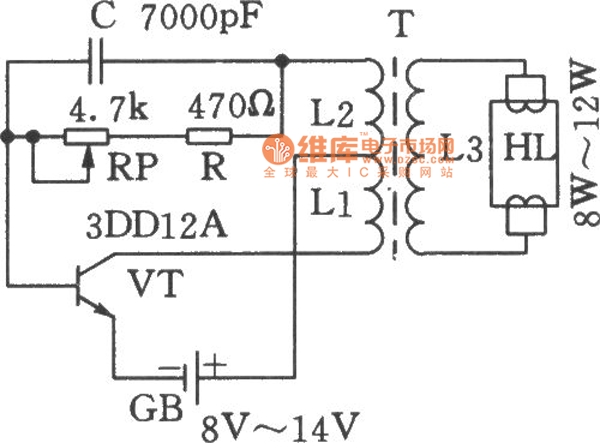
As shown in the figure is a high-frequency-generating lamplighter circuit. Supplied by battery of 8 V ~ 14 V, it will light 6 W ~ 12 W fluorescent lamps after oscillation. Transistor VT can use low frequency high power transistor like 3DD12A, D3D4D, 3 DD5C and 3 DDl5.When in assembly, aluminum radiator of 70mm×40mm×2mm shall be installed; Small wire-round potentiometer RP would be first choice; High-frequency pulse transformer T can use ferrite cans of 22 mm in diameter.
Reprinted Url Of This Article:
http://www.seekic.com/circuit_diagram/Sensor_Circuit/High_Frequency_Generating_Lamplighter_Circuit.html
Print this Page | Comments | Reading(3)
Code: