Published:2011/7/17 20:25:00 Author:zj | Keyword: High sensitivity, sound snoop device | From:SeekIC

Working principle
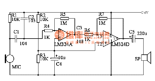
The circuit is shown above.Microphone which is put in a special bobbinrecieves sound from certain direction(Other directions are inhibited). Sound is sent into amplifier. The amplifier is composed of two poles. Using it you can hear weak sound from far away.LM324 is integrated by four operational amplifier. Here just uses A&D. The connection method can refer to the diagram.
Reprinted Url Of This Article:
http://www.seekic.com/circuit_diagram/Sensor_Circuit/High_sensitivity_sound_snoop_device.html
Print this Page | Comments | Reading(3)
Code: