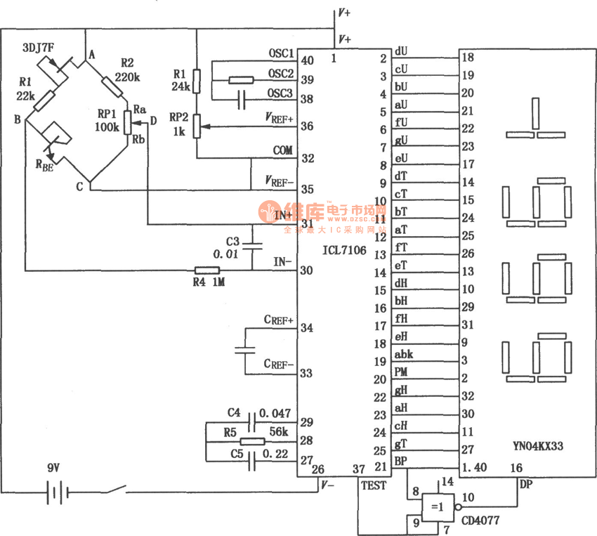
Published:2011/7/20 2:38:00 Author:zj | Keyword: micropower thermometer | From:SeekIC

Reprinted Url Of This Article:
http://www.seekic.com/circuit_diagram/Sensor_Circuit/ICL7106_constitutes_a_micropower_thermometer.html
Print this Page | Comments | Reading(3)
Code: