Published:2009/7/9 21:59:00 Author:May | From:SeekIC

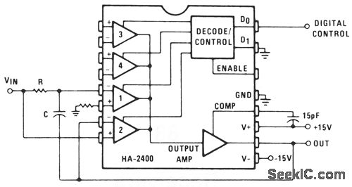
Channel 1 is wired as a conventional integrator, and channel 2 as a voltage follower. When channel 2 is switched on, the output will follow VIN and C will discharge to maintain 0 V across it. When channel 1 is then switched on, the output will initially be at the instantaneous value of VIN, and then will commence integrating towards the opposite polarity. This circuit is particularly suitable for timing ramp generation using a fixed dc input. Many variations, such as building programmable time constant integrators, are possible.
Reprinted Url Of This Article:
http://www.seekic.com/circuit_diagram/Sensor_Circuit/INTEGRATOR_RAMP_GENERATOR_WITH_INITIAL_CONDITION_RESET.html
Print this Page | Comments | Reading(3)
Code: