Published:2011/9/6 23:28:00 Author:chopper | Keyword: delay, light-operated switch | From:SeekIC

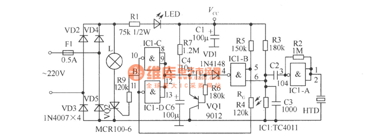
Figure shows the improved sound and light control switch, and its delay time can extend to 3min or so, which can meet the requirements of users well.If you want to continue to extend the dely time when in use,you can clap(make some sound) again when the light bulb is bright,which is more convenient to use.Components selection:IC1 should use dual-input four NAND-gate TC4011. RG is the photoresistance,and its effect is better if the difference between its light resistance and dark resistance is greater.Resistor adopts 1/8W carbon film resistors.
Reprinted Url Of This Article:
http://www.seekic.com/circuit_diagram/Sensor_Circuit/Magnetic_Sensor/long_time_delay_light_operated_switch.html
Print this Page | Comments | Reading(3)
Code: